Products Engineering Ordering Contact
120 VAC Programmable Interval Timer, 30A Output
9206  Description
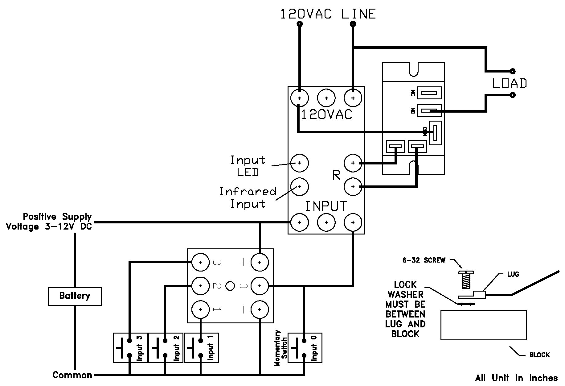
ProductModel 9206 is a 120 VAC interval timer. The external mechanical relay can switch AC and DC loads up to 30A. The minimum interval time is 100 ms (0.1s). Interval sequences can be started when the timer is powered or from the isolated two-wire encoded input. Intervals and settings are transferred into the timer through an infrared programmer, providing complete isolation from switching current.

Intervals and input settings are defined using Phenix Programmer Software which is available online for FREE. Timer settings are then read from the computer screen using an infrared remote programmer, model 9211, or through the USB interface, model 9245. The interval program is then transmitted from the remote to the infrared input on the timer.

This timer features a two-wire input that can be pulsed to activate an interval sequence or can receive encoded data from an input expander, model 9630. The input expander provides access to additional interval sequences.
Specifications
Operating Voltage
Voltage Type
120 AC
Output
Number of Outputs Switches Current Capacity Type
1 AC or DC 30A Mechanical
Time
Time Base Weekly Clock Clock Source
100ms No AC Line
Features
External Inputs Battery Backup Max Intervals
1 No 32

Pricing
Quantity Price USD
1 $ 19.00
5 $ 17.00
10 $ 16.00
50 $ 14.00
100 $ 13.00
Pricing on website may not be current.
Please call for current prices.
S&H and $25 Minimum Order Apply
Downloads
Images
Sample Input Expansion
Sample Input Expansion

Sample connection diagram
Sample connection diagram



Pricing on website may not be current. Please call for Pricing
Copyright 2001 - 2024  Phenix Controls, Inc.
Loading
Click to Return